Магазин запчастей для бытовой техники - Arlos
Москва
close
Выберите ваш регион
АбаканАлександровАльметьевскАнгарскАрзамасАрмавирАртемАрхангельскАстраханьАчинскБалаковоБалашихаБеларусьБелгородБердскБерезникиБийскБлаговещенскБратскБрянскВеликий НовгородВидноеВладивостокВладикавказВладимирВолгоградВолгодонскВолжскийВологдаВолховВоркутаВоронежВоскресенскВыборгГатчинаГеленджикГрозныйДедовскДербентДзержинскДзержинскийДимитровградДмитровДолгопрудныйДомодедовоДонецкЕвпаторияЕгорьевскЕкатеринбургЕлецЕссентукиЖелезногорскЖелезнодорожныйЖуковскийЗеленоградЗлатоустИвановоИвантеевкаИжевскИркутскИстраЙошкар-ОлаКазаньКалининградКалугаКаменск-УральскийКамышинКаспийскКемеровоКерчьКировКисловодскКлинКовровКоломнаКомсомольск-на-АмуреКопейскКоролёвКостромаКотельникиКрасногорскКраснодарКраснознаменскКрасноярскКурганКурскКызылЛенинск-КузнецкийЛипецкЛобняЛыткариноЛюберцыМагнитогорскМайкопМалаховкаМахачкалаМиассМоскваМурманскМуромМытищиНабережные ЧелныНазраньНальчикНаро-ФоминскНахабиноНаходкаНевинномысскНефтекамскНефтеюганскНижневартовскНижнекамскНижний НовгородНижний ТагилНовокузнецкНовокуйбышевскНовомосковскНовороссийскНовосибирскНовоуральскНовочебоксарскНовочеркасскНовошахтинскНовый УренгойНогинскНорильскНоябрьскОбнинскОдинцовоОктябрьскийОмскОрелОренбургОрехово-ЗуевоОрскПавловский ПосадПензаПервоуральскПермьПетрозаводскПетропавловск-КамчатскийПодольскПрокопьевскПсковПушкиноПятигорскРаменскоеРеутовРостов-на-ДонуРубцовскРыбинскРязаньСакиСалаватСамараСанкт-ПетербургСаранскСаратовСевастопольСеверодвинскСеверскСергиев ПосадСерпуховСимферопольСмоленскСосновый БорСочиСтавропольСтарый ОсколСтерлитамакСтупиноСургутСызраньСыктывкарТаганрогТамбовТверьТихвинТольяттиТомилиноТомскТроицкТулаТюменьУлан-УдэУльяновскУссурийскУсть-ИлимскУфаУхтаФеодосияФрязиноХабаровскХанты-МансийскХасавюртХимкиЧебоксарыЧелябинскЧереповецЧеркесскЧеховЧитаШахтыЩелковоЭлектростальЭлистаЭнгельсЮжно-СахалинскЯкутскЯлтаЯрославль
  • - бесплатно по РФ
    Автоперезвон. Работает по принципу: Вы позвонили на номер, мы сбрасываем звонок и перезваниваем через 3 секунды.
  • - по Москве
  • 8 (925) 663-83-63

Call-центр

пн-вс: 10:00-19:00

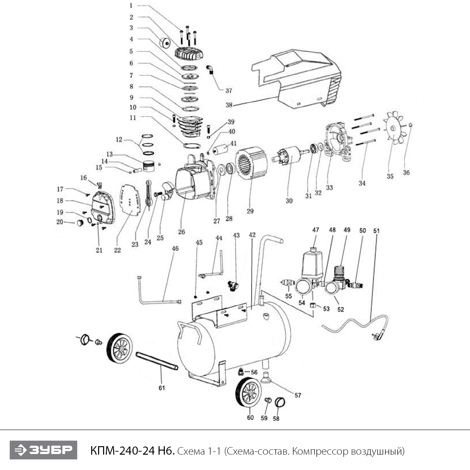
Компрессор воздушный КПМ-240-24 Н6

Данная модель имеет несколько схем

NАртикулНазваниеСрок отгрузкиЦенаКупить
1 N000-031-724 Болт M6х55
2 N000-031-723 Головка цилиндра 848 р.
3 N000-031-725 Фильтр воздушный каркасный D66х54 84 р.
4 N000-031-726 Прокладка головки блока цилиндра 41 р.
5 N000-031-727 Диск клапанов 369 р.
6 N000-031-729 Пластина клапанная 47x10 мм 286 р.
7 N000-031-728 Прокладка алюминиевая 46 р.
8 N000-031-730 Прокладка диска клапанов 41 р.
9 N000-031-767 Цилиндр 775 р.
10 N000-020-590 Болт M8x25
11 N000-031-732 Прокладка цилиндра 86 р.
12 N000-031-769 Кольца поршневые и маслосъемные D42 (набор 3 шт) 245 р.
13 N000-031-770 Поршень 319 р.
14 N000-031-771 Палец поршневой D12х34.5 59 р.
15 N000-027-676 Кольцо стопорное D13
16 N000-031-772 Крышка заливки масла
18 N000-031-773 Крышка картера 438 р.
19 N000-031-774 Прокладка сливной пробки 20 р.
20 N000-031-775 Пробка сливная 125 р.
21 N000-031-776 Кольцо уплотнительное D16х1.8
22 N000-031-777 Прокладка резиновая 63 р.
23 N000-031-778 Шатун D20хd12х85 247 р.
24 N000-031-779 Винт M8х22 (Левая резьба) Hex 114 р.
25 N000-031-780 Кривошип 694 р.
26 N000-031-738 Картер коленвала
27 N000-031-781 Кольцо уплотнительное D40хD20х7 59 р.
28 U009-620-4R1 Подшипник шариковый 6204-2RS (47х20х14) ZYTL 1.808 р.
29 N000-031-782 Статор АД 3.011 р.
30 N000-031-783 Ротор АД 2.013 р.
31 U009-620-2RS Подшипник шариковый 6202-2RS (35x15x11) n/n 189 р.
33 N000-031-742 Крышка двигателя задняя 522 р.
35 N000-031-743 Крыльчатка D50 87 р.
37 N000-018-916 Патрубок угловой 3/8х3/8 114 р.
38 N000-031-757 Кожух защитный 348 р.
39 N000-018-463 Шайба пружинная D8
40 N000-018-202 Шайба-гровер D8
41 V000-007-576 Конденсатор 22UF/450V
42 N000-031-784 Рессивер 24л
43 N000-031-753 Клапан обратный 531 р.
44 N000-031-761 Труба выходная 30 р.
45 N000-026-230 Болт M5X14
46 N000-031-750 Трубка выпускная D6х168 38 р.
47 N000-031-756 Реле давления 6-8bar 4 hole 1/4 917 р.
48 N000-031-754 Коннектор R1/4 55 р.
50 N000-031-752 Муфта быстроразъемная 1/4″ 429 р.
54 N000-031-755 Манометр 14bar (D53 1/4″ папа резьба сзади) 376 р.
55 N000-031-751 Клапан предохранительный 169 р.
56 N000-031-749 Кран слива конденсата 218 р.
57 N000-031-762 Ножка
58 N000-031-763 Колпак колеса
59 N000-031-764 Штифт колеса
60 N000-031-765 Колесо пластиковое D118хd12х29(44) 171 р.
61 N000-031-766 Ось
Найдено товаров: 53
1
▲ Наверх
0
8 (925) 663-83-63

Call-центр

пн-вс: 10:00-19:00

НАЙТИ ПО МОДЕЛИ
Введите номер заказа
Введите номер своего заказа, что бы узнать его текущий статус.
Что бы получить доступ к расширенным функциям, пройдите не сложную регистрацию. Зарегистрироваться